网站首页 行业快讯 > 正文
导读 目前大家应该是对plc恒压供水系统(双恒压无塔供水PLC编程)比较感兴趣的,所以今天好房网小编CC就来为大家整理了一些关于plc恒压供水系统
目前大家应该是对plc恒压供水系统(双恒压无塔供水PLC编程)比较感兴趣的,所以今天好房网小编CC就来为大家整理了一些关于plc恒压供水系统(双恒压无塔供水PLC编程)方面的相关知识来分享给大家,希望大家会喜欢哦。
plc恒压供水系统(双恒压无塔供水PLC编程)
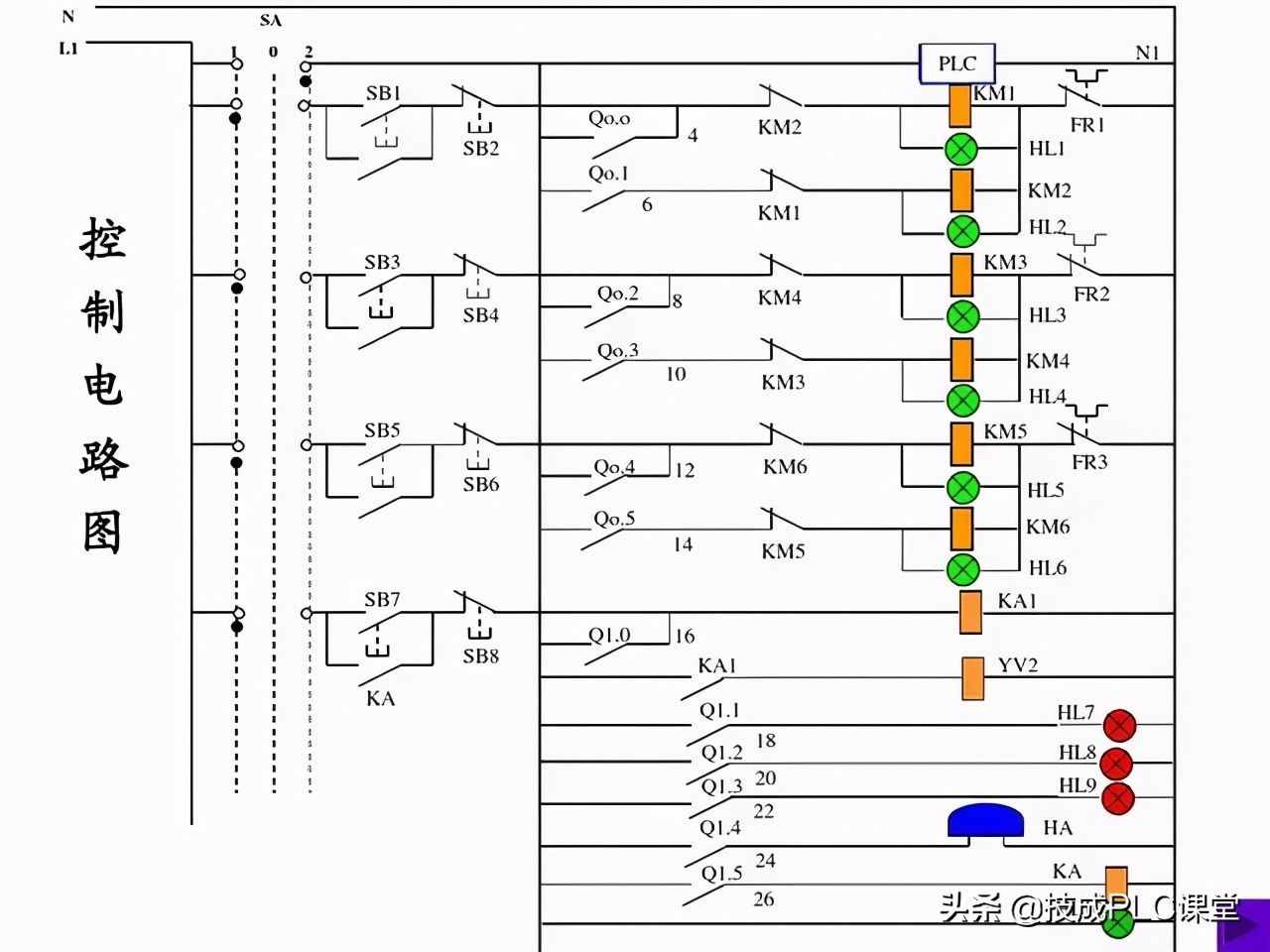
PLC和变频器都是工业控制中最常用的设备,二者可以单独使用,也可以密切配合,都能够达到自动化控制的目的,应用非常的广泛,今天就举一个具体的例子:双恒压无塔供水系统,这个系统是由变频器和PLC密切配合才能完成的,一般都在大的项目上使用。
【文末免费领取PLC学习资料】
【文末免费领取PLC学习资料】
【文末免费领取PLC学习资料】










【文末免费领取PLC学习资料】
【文末免费领取PLC学习资料】
【文末免费领取PLC学习资料】








【文末免费领取PLC学习资料】
【文末免费领取PLC学习资料】
【文末免费领取PLC学习资料】








(来源:网络,侵删)
版权说明: 本文由用户上传,如有侵权请联系删除!
- 上一篇: 今日更新二三联防(你真的了解二三联防吗)
- 下一篇: 今日更新安全生产标语口号(安全生产月要来了)
猜你喜欢:
- 2022-09-20 男人恶心是什么病的前兆(恶心是什么病的前兆)
- 2022-09-20 山东财经大学东方学院考研率怎么样(山东财经大学考研率是多少)
- 2022-09-20 广西最早的大学叫什么大学(在桂林设立的广西最早的大学是哪所大学)
- 2022-09-20 小儿肺炎有5个常见症状吗(小儿肺炎有5个常见症状)
- 2022-09-20 m是哪个服装品牌的标志(标志为M的衣服是什么牌子的)
- 2022-09-20 什么叫正比例什么叫反比例举例说明(什么叫反比例,举个例子说明,)
- 2022-09-20 一包烟要多少根烟丝(一包烟要多少根)
- 2022-09-20 男人吃樱桃对身体有什么好处(男人吃樱桃有什么好处)
最新文章:
- 2023-07-02 怎样挑选新鲜的猪肝?(怎么挑选新鲜猪肝 挑选新鲜猪肝的小技巧)
- 2023-07-02 木地板都有哪些种类(木地板的种类有哪些)
- 2023-07-02 白蜡木家具的优缺点(松木家具的优缺点)
- 2023-07-02 怎么清洗窗帘布上的污垢(怎么清洗窗帘)
- 2023-07-02 世界上最可爱的小仓鼠的样子(可爱小仓鼠的种类)
- 2023-07-02 小猫拉不出来屎怎么办(小猫拉不出屎怎么办)
- 2023-07-02 新飞小冰箱耗电量一天多少度(小冰箱耗电量一天多少度)
- 2023-07-02 公司注销工业房产怎么办手续(公司注销工业房产怎么办)
- 2023-07-02 凤凰层到底好还是不好(凤凰层是哪一层)
- 2023-07-02 马桶宽度空间留多少(马桶两边的空间大小是多少)
- 2023-07-02 如何训练猫咪小便(如何训练猫大小便)
- 2023-07-02 卫生间吊顶防潮层做法图集(卫生间吊顶方法是什么)
- 2023-07-02 狗狗为什么总是流口水怎么办(狗狗为什么爱流口水)
- 2023-07-02 卧室窗户漏水由谁负责维修(卧室窗户漏风怎么办)
- 2023-07-02 世界名猫大全(世界名猫你知道几种)
- 2023-07-02 applewatchseries7和6对比(apple watch series 7和6的区别)
